| Description |
| A lever operated rotary type directional control valve is generally used for high pressure applications at low flow. |
![]() |
| Section |

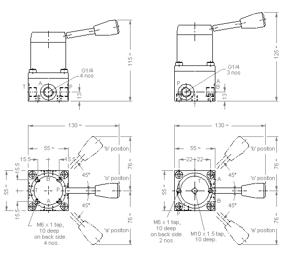
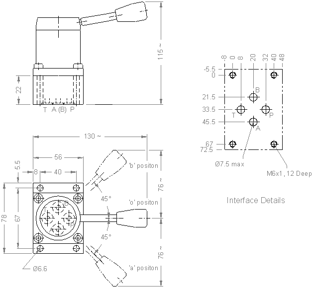
| Unit Dimensions |
Threaded body

Model : 4RDL*** Model : 4RDL***HP

| Subplate body |
| Technical Specifications |
| Construction ............................................ | Rotary disc type. | ||||
| Mounting type ......................................... | Threaded & Subplate body connections. | ||||
| Mounting position ................................... | Optional. | ||||
| Flow direction .......................................... | As per the symbol. | ||||
| Operating pressure .................................. |
Port |
P (bar) |
A (bar) |
B (bar) |
T (bar) |
| Continuous | 700 | 700 | 700 |
110 (max.) |
|
| Intermittent | 1000 | 1000 | 1000 | ||
| Hydraulic medium .................................... | Mineral oil. | ||||
| Viscosity range ....................................... | 10 cSt to 380 cSt. | ||||
| Fluid temperature range ............................ | -20 °C to +70 °C. | ||||
| Fluid cleanliness requirement .................... | As per ISO code 16/13 or better. | ||||
| Flow handling capacity ............................. | Refer graph below. | ||||
| Mass ...................................................... | 1.8 kg. Max. | ||||
Performance Curves
Oil used : ISO VG 68, Viscosity : 68 cSt @ 40º C, Temp. @ test : 50º C

| Ordering Informations |
| All rights reserved. Subject to revision. |
|
|
|
|
|
Regd. office & Works : |
|
Copyright ©
Polyhydron Pvt. Ltd. Belgaum, India. |
Updated on May 11, 2010 05:21 pm .