| Description |
| Designed to control
opening & closing of the cartridge valve.
Cover has built-in seat type shuttle valve. Configurations shown in the hydraulic symbol are available.
|
|
Hydraulic Symbol

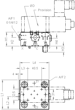
| Unit Dimensions |

Size |
L1 |
L2 |
L3 |
L4 |
H1 |
H2 |
H3 |
H4 |
A/F1 | A/F2 | ØD |
Cover fixing S.H.C. |
Tightening |
16 |
65 |
-- |
26.2 |
75 |
50 |
-- |
12 |
-- |
6 | 6 | M6 (0.6) |
M8, 40 long. |
3.2 da Nm. |
25 |
85 |
36.5 |
23.5 |
85 |
40 |
25 |
18 |
23 |
6 | 10 | M6 (0.6) |
M12, 45 long. |
11 da Nm. |
32 |
102 |
51 |
32 |
102 |
50 |
-- |
24 |
-- |
6 | 14 | M6 (0.6) |
M16, 55 long. |
27 da Nm. |
40 |
125 |
50.5 |
43.5 |
125 |
60 |
30 |
30 |
30 |
6 | 17 | M6 (0.6) |
M20, 70 long. |
52 da Nm. |
Note : Mounting interface as per ISO 7368.
| Ordering Informations |

| All rights reserved. Subject to revision. |
|
|
|
|
|
Regd. office & Works : |
|
Copyright ©
Polyhydron Pvt. Ltd. Belgaum, India. |
Updated on May 11, 2010 05:22 pm .