Description

Non adjustable differential type. Spring loaded sealed piston construction. Encapsulated design for protection against dust. Six pressure ranges available, which can be adjustable upto 10, 50, 100, 200, 350 and 420 bar. Transparent plug-in connector is available with LED

Section

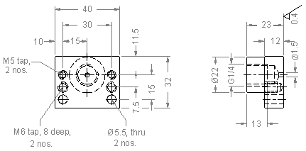
Unit Dimensions

Subplate Mounting

Threaded Subplate

Note : Ordering Code : 1SPSG02

Technical Specifications
Construction .................................. Spring loaded sealed piston type.
Mounting style ............................... Subplate mounting.
Interface ........................................ Factory standard.
Mounting position ........................... Optional. (Pr. sensing port facing downward preferred)
Hydraulic medium ........................... Mineral oil.
Viscosity range .............................. 10 cSt to 380 cSt.
Fluid temperature range ................. -20 °C to +70 °C.
Oil cleanliness requirement ............ As per ISO 16/13.
Maximum Operating Pressure ......... Refer pressure setting table
Pressure ranges available .............. Adjustable up to 10, 50, 100, 200, 350 and 420 bar.
Switching pressure differential ........ Refer graph.
Switching frequency ....................... 120 / min.
Switching accuracy ........................ < ± 1 %
Life  .............................................. 1 million cycles min.
Electrical rating .............................. 250 VAC  5.0 A
50   VAC  1.0 A
250 VDC  0.2 A
Electrical connection ...................... Plug - in connector conforms to DIN 43650,
ISO 4400 Transparent plug in connector with
LED, which gives indication when pressure in
the line is above the set pressure.
230  VAC   5  A max.
24    VDC   1  A max.
Mass ............................................. Pressure switch -- 0.95 kg.
Subplate ------------ 0.13 kg.
Pressure settings (bar) ...….............. Model Increasing pr. Decreasing pr. Operating pr. max.

min.

max.

min.

max.

1PS * 10

4

10

2.5

7

100

1PS * 50

8

50

5

44

420

1PS * 100

14

100

10

90

420

1PS * 200

20 200 15 185 420

1PS * 350

25

350

20

330

420

1PS * 420

28

420

22

390

420

Switching Pressure Differential Graph

These are non-adjustable differential type pressure switches. These pressure switches are generally used for setting either rising pressure or falling pressure signal. 

For adjustable differential type, use two pressure switches by setting one for rising pressure and other for falling pressure.

The above graphs show the variation range for resetting of the Pr. Switch. E.g. When 1PS100-** pr. switch is Set at 80 bar rising pressure signal, the pr. switch will reset anywhere between 71 [80-9] bar to 75 [80-5] bar. Similarly If the Pr. Switch is set for falling pressure signal the variation range is applicable to rising pressure at which the pressure switch resets.

 

Ordering Informations

 

 

 

Pr. Switch with non adjustable differential 1P
Mounting type S
Pressure Adjustment
Working Pressure Range
Electrical Rating of LED
Design Code 30

Product Code

 

All rights reserved.
Subject to revision.

Regd. office & Works :
78-80, Machhe Industrial Estate, Machhe, Belgaum - 590 014. Karnataka, INDIA. 
Phone :
+91-0831-2411001.  Fax : +91-0831-2411002 ,  
E-mail :
 
polyhydron@vsnl.com ,  Website :  www.polyhydron.com

 

Copyright © Polyhydron Pvt. Ltd. Belgaum, India.
Site developed by
Polyhydron Pvt. Ltd, Belgaum, India.

Updated on November 10, 2016 09:04 AM .